MOOG G122-824A002伺服控制系统放大器模块
MOOG G122-824A002伺服放大器产品使用指导:
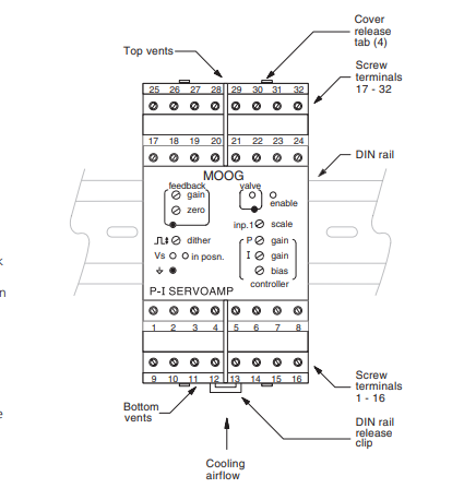
1.MOOG G122-824A002接线建议使用卷曲的“靴带套圈”作为螺钉端子。留出足够的电缆长度,以便电路卡可以在电线仍然连接的情况下从其外壳中取出。这使电路卡上的开关可以在卡仍处于连接和工作状态时进行更改。额外的100mm,用于外壳外部的电缆,以及连接到相邻DIN导轨单元的电线,就足够了。螺纹端子将适用于0.2mm2至2.5mm2(24AWG至12AWG)的电线尺寸。一安培额定值,0.2mm2应足以用于所有应用。
2.电流参数:24V DC标称值,22至28V75mA@24V无负载,200mA@100mA负载。如果使用不受调节的电源,波纹波形的底部不得低于22V。建议将符合IEC127-2表3的M205、250mA T(慢熔断)保险丝与+24V输入串联放置,以保护电子电路。如果端子23用于为比例阀供电,则应增加保险丝以满足额外电流的需要。
3.MOOG G122-824A002发出的辐射远低于CE标志测试中规定的水平。因此,无需采取特殊预防措施来抑制排放。然而,对外部干扰辐射的免疫力取决于仔细的布线技术。可接受的方法是使用屏蔽电缆进行所有连接,并在进入工业钢外壳的点处,通过适当的接地电缆压盖径向终止电缆屏蔽。如果无法做到这一点,G122-824A002e777乐彩线路检测上应提供底盘圆螺纹端子。裸露的电线应保持最小长度。将电缆两端的屏幕连接到机箱接地。


MOOG G122-824A002 wiring recommends using curled "boot strap ferrules" as screw terminals. Leave enough cable length so that the circuit card can be removed from its casing while the wires are still connected. This allows the switches on the circuit card to be changed while the card is still connected and working. An additional 100mm is sufficient for cables outside the casing and wires connected to adjacent DIN rail units. The threaded terminals will be suitable for wire sizes ranging from 0.2mm2 to 2.5mm2 (24AWG to 12AWG). One ampere rating of 0.2mm2 should be sufficient for all applications.
24V DC nominal value, 22 to 28V75mA@24V No load, 200mA@100mA Load. If an unregulated power supply is used, the bottom of the ripple waveform must not be lower than 22V. It is recommended to place the M205, 250mA T (slow melting) fuse in series with the+24V input in accordance with Table 3 of IEC127-2 to protect the electronic circuit. If terminal 23 is used to power the proportional valve, a fuse should be added to meet the additional current requirements.
The radiation emitted by MOOG G122-824A002 is much lower than the level specified in the CE marking test. Therefore, there is no need to take special preventive measures to suppress emissions. However, immunity to external interference radiation depends on careful wiring techniques. An acceptable method is to use shielded cables for all connections and terminate the cable shielding radially through appropriate grounding cable glands at the point of entry into the industrial steel casing. If this cannot be achieved, G122-824A002 should provide chassis round threaded terminals. Exposed wires should be kept to a minimum length. Connect the screens at both ends of the cable to the chassis ground.
MOOG G122-824A002伺服放大器实物视频:
MOOG G122-824A002伺服放大器产品细节图片:


MOOG G122-824A002伺服放大器相关产品:
| MOOG D136-001-007 穆格控制器 | MOOG D136-001-008 伺服阀控制器 |
| MOOG D138-002-002 控制器模块 | MOOG G122-824-002 伺服放大器 |






