REC650 1MRK008514-AA是一款用于控制、保护和监测电网中不同类型的间隔控制装置。
间隔控制装置REC650 1MRK008514-AA实物拍摄视频:
间隔控制装置REC650 1MRK008514-AA仓库实物图片细节展示:

间隔控制装置REC650 1MRK008514-AA产品详情介绍:
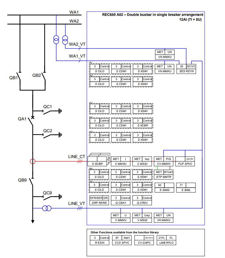
e777乐彩线路检测设备控制功能的特点是: 一次设备的操作 选择执行原则以提供高可靠性 防止同时操作的选择和保留功能 操作员场所的选择和监督 指挥监督 阻断/解除阻断操作 位置指示更新的块/解块 位置指示的替代 联锁功能的超越 超越同步检查 极点不一致监督 操作计数器 | Features of the apparatus control function are: e777乐彩线路检测Operation of primary apparatuses• elect-Execute principle to give high reliability• Selection and reservation function to preventsimultaneous operation• e777乐彩线路检测Selection and supervision of operator place• e777乐彩线路检测Command supervision• Block/deblock of operation• Block/deblock of updating of position indications• e777乐彩线路检测Substitution of position indications• Overriding of interlocking functions• e777乐彩线路检测Overriding of synchrocheck• Pole discordance supervision• Operation counter |
以下联锁模块可用: 双母线和转换母线的线路,ABC_Line 双母线和转换母线的母线耦合器,ABC_BC e777乐彩线路检测双母线变压器间,AB_TRAFO 双母线的母线分段断路器,A1A2_BS 双母线的母线段隔离开关,A1A2_DC e777乐彩线路检测母线接地开关,BB_ES•双CB间隔,DB_BUS_A、DB_LINE、DB_BUS_B e777乐彩线路检测1 1/2-CB直径,BH_LINE_A,BH_CONN,BH_LINE_B | The following interlocking modules are available: Line for double and transfer busbars, ABC_LINE Bus coupler for double and transfer busbars, ABC_BC Transformer bay for double busbars, AB_TRAFO Bus-section breaker for double busbars, A1A2_BS Bus-section disconnector for double busbars,A1A2_DC Busbar earthing switch, BB_ES• Double CB Bay, DB_BUS_A, DB_LINE, DB_BUS_B 1 1/2-CB diameter, BH_LINE_A, BH_CONN, BH_LINE_B |


间隔控制装置REC650 1MRK008514-AA站内相关产品推荐:
| 保护装置ABB REF545KB133AAAA馈线终端 | ABB馈线保护装置REC670 1MRK002814-AB |






